SQG...
產品編號:SQG… 5~14
滑動磨擦副:鋼/鋼
產品特點:彎桿型球頭桿端關節軸承球頭座和球頭桿的材料均為碳鋼。
使用溫度范圍:-50℃~+150℃
??
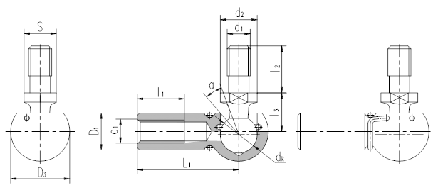
軸 承 型 號 Bearing number | 外 形 尺 寸 Dimensions mm | 額定靜載荷 Static load ratings kN | 重 量 Weight ≈kg | ||||||||||
d1 | d2
| dk
| l1
| l2 | l3
| S | L1 | D1
| D3
| α? ≈ | |||
SQG5 | M5 | 8 | 8 | 10.2 | 10.2 | 9 | 7 | 22 | 8 | 12.8 | 10 | 2.2 | 0.015 |
SQG6 | M6 | 10 | 10 | 11.5 | 12.5 | 11 | 8 | 25 | 10 | 14.8 | 15 | 3.5 | 0.025 |
SQG8 | M8 | 13 | 13 | 14 | 16.5 | 13 | 11 | 30 | 13 | 19.3 | 15 | 6.6 | 0.053 |
SQG10 | M10 | 16 | 16 | 15.5 | 20 | 16 | 13 | 35 | 16 | 24 | 15 | 10 | 0.104 |
SQG12 | M12 | 16 | 16 | 15.5 | 20 | 16 | 13 | 35 | 16 | 24 | 15 | 16 | 0.104 |
SQG14 | M14×1.5 | 19 | 19 | 21.5 | 28 | 20 | 16 | 45 | 22 | 30 | 15 | 19 | 0.221 |
SQG14/B5 | M14×2 | 19 | 19 | 21.5 | 28 | 20 | 16 | 45 | 22 | 30 | 15 | 26 | 0.221 |
球頭座桿螺紋也可為左旋,若是左旋,軸承型號和螺紋標記需加“L”和“左”,例如:SQGL5 M5左-6H。
??