產品編號:SABP…S?5~30
滑動磨擦副:鋼/青銅
產品特點:鑲墊桿端關節軸承桿端體材料是碳鋼,表面鍍鋅,滑動表面鑲入青銅襯墊;內圈材料是軸承鋼,淬火,球面鍍硬鉻,除了孔徑小于6.35外,其余均可通過油杯潤滑。
使用溫度范圍:-50℃~+150℃
軸 承 型 號 Bearing number | 外 形 尺 寸 Dimensions mm | 額定載荷 Load ratings kN | 重 量 Weight ≈kg | ||||||||||||
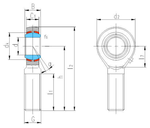
d | B | dk | C1 max | d2
| G 6g | h | l1 min | l2
| l7
| rs min | αº ≈ | 動載荷 Dynamic | 靜載荷 Static | ||
SABP5S1) | 5 | 8 | 11.112 | 6 | 16 | M5 | 33 | 20 | 41 | — | 0.3 | 13 | 3.3 | 3.9 | 0.016 |
SABP6S1) | 6 | 9 | 12.7 | 6.75 | 18 | M6 | 36 | 22 | 45 | — | 0.3 | 13 | 4.3 | 5.3 | 0.026 |
SABP8S | 8 | 12 | 15.88 | 9 | 22 | M8 | 42 | 25 | 53 | — | 0.3 | 14 | 6.8 | 8.5 | 0.044 |
SABP10S | 10 | 14 | 19.05 | 10.5 | 26 | M10 | 48 | 29 | 61 | — | 0.3 | 14 | 10 | 11 | 0.072 |
SABP12S | 12 | 16 | 22.23 | 12 | 30 | M12 | 54 | 33 | 69 | — | 0.3 | 13 | 13 | 14 | 0.108 |
SABP14S | 14 | 19 | 25.4 | 13.5 | 34 | M14 | 60 | 36 | 77 | — | 0.3 | 16 | 17 | 20 | 0.161 |
SABP16S | 16 | 21 | 28.58 | 15 | 38 | M16 | 66 | 40 | 85 | — | 0.3 | 15 | 21 | 25 | 0.225 |
SABP18S | 18 | 23 | 31.75 | 16.5 | 42 | M18×1.5 | 72 | 44 | 93 | 23 | 0.6 | 15 | 26 | 30 | 0.295 |
SABP20S | 20 | 25 | 34.93 | 18 | 46 | M20×1.5 | 78 | 47 | 101 | 25 | 0.6 | 15 | 31 | 35 | 0.382 |
SABP22S | 22 | 28 | 38.1 | 20 | 50 | M22×1.5 | 84 | 51 | 109 | 27 | 0.6 | 15 | 38 | 43 | 0.488 |
SABP25S | 25 | 31 | 42.86 | 22 | 60 | M24×2 | 94 | 57 | 124 | 29 | 0.6 | 15 | 47 | 65 | 0.749 |
SABP28S | 28 | 35 | 47.63 | 25 | 66 | M27×2 | 103 | 62 | 136 | 33 | 0.6 | 15 | 59 | 77 | 0.949 |
SABP30S | 30 | 37 | 50.8 | 25 | 70 | M30×2 | 110 | 66 | 145 | 39 | 0.6 | 17 | 63 | 86 | 1.13 |
1)不能潤滑。
可提供不同螺距或螺紋精度有特殊要求的桿端關節軸承。
若是左旋螺紋,軸承型號和螺紋標記需加“L”和“左”,例如:SALBP20S M20×1.5左-6g。
以上產品的桿端體和內圈可用不銹鋼制造,軸承型號后面加“X”標識,即SABP…S/X。
????